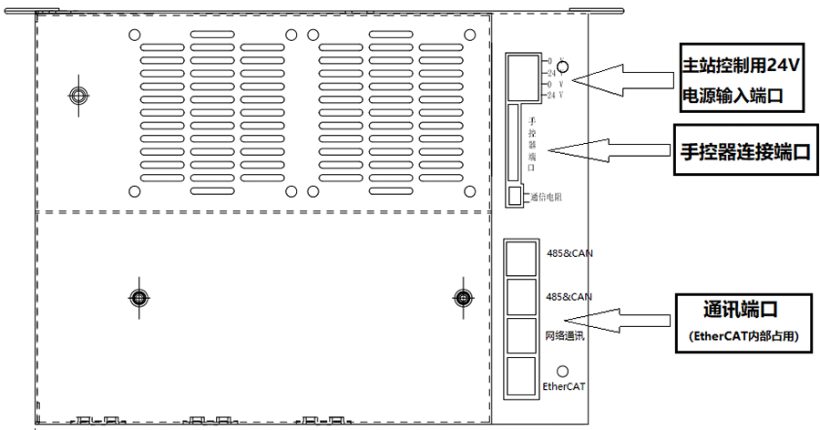
EC-L5车床机械手控制系统驱控一体箱体整体接线说明-九州酷游(ku游)数控


九州酷游(ku游)

版权所有 © 深圳市九州酷游(ku游)工业控制股份有限公司 未经许可不得复制、转载或摘编,违者必究  版权声明

Copyright © Shenzhen Huacheng Industrial Control Co., Ltd. All Rights Reserved.

网站ICP备案号: 粤ICP备19106162号

技术支持:新新网络

咨询在线客服

咨询电话

13924666952

400-158-1606

官方客服微信