SSZJ1BX100闸机智能伺服驱动器-通道闸机伺服系统-九州酷游(ku游)数控
  • 九州酷游(ku游)

    SSZJ1BX100闸机智能伺服驱动器

    SSZJ1BX100闸机智能伺服驱动器

    • 全系标配Modbus RTU通信协议,并配有ServoTuner上位机软件;

    • 驱动器使用基于ARM Cortex M3/M4/R4F内核处理器,主频最高可达600MHZ,采用FOC矢量控制算法;

    • 伺服支持位置/速度/扭矩三闭环控制,电流环带宽最高可达3.2kHz,速度环带宽高于200HZ;

    • 支持16~70VDC宽范围的供电电压,特别适用于电池供电的移动场合;

    • 伺服系统使用环境温度为-40℃~40℃。

      SSZJ1B系列低压伺服驱动器,为闸机行业应用,系列产品功率可支持100W、200W、400W功率段。最大电流峰值40A,支持RS485总线控制模式。


      低压伺服驱动器选型



      产品特点


      (1)全系标配Modbus RTU通信协议,并配有ServoTuner上位机软件;

      (2)驱动器使用基于ARM Cortex M3/M4/R4F内核处理器,主频最高可达600MHZ,采用FOC矢量控制算法;

      (3)伺服支持位置/速度/扭矩三闭环控制,电流环带宽最高可达3.2kHz,速度环带宽高于200HZ;

      (4)支持16~70VDC宽范围的供电电压,特别适用于电池供电的移动场合;

      (5)伺服系统使用环境温度为-40℃~40℃。

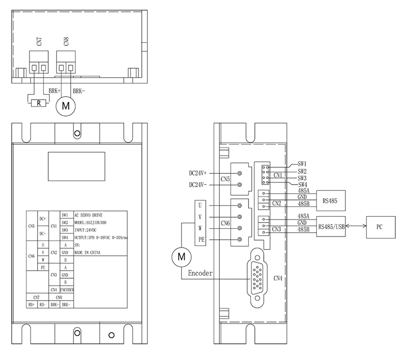
      低压伺服驱动器电气接线图:

      低压伺服驱动器尺寸图:

      注:电机尺寸根据实际使用功率大小,咨询业务索取!

    版权所有 © 深圳市九州酷游(ku游)工业控制股份有限公司 未经许可不得复制、转载或摘编,违者必究  版权声明

    Copyright © Shenzhen Huacheng Industrial Control Co., Ltd. All Rights Reserved.

    网站ICP备案号: 粤ICP备19106162号

    技术支持:新新网络

    咨询在线客服

    咨询电话

    13924666952

    400-158-1606

    官方客服微信